
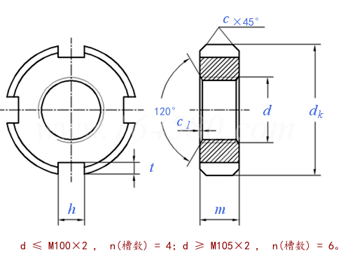
| 螺纹尺寸 | M10 | M12 | M14 | M16 | M18 | M20 | M22 | M24 | M27 | M30 | M33 | M36 | M39 | M42 | ||
| d | × 1 | × 1.25 | × 1.5 | × 1.5 | × 1.5 | × 1.5 | × 1.5 | × 1.5 | × 1.5 | × 1.5 | × 1.5 | × 1.5 | × 1.5 | × 1.5 | ||
| dk | 20 | 22 | 25 | 28 | 30 | 32 | 35 | 38 | 42 | 45 | 48 | 52 | 55 | 58 | ||
| m | 6 | 6 | 6 | 6 | 6 | 6 | 8 | 8 | 8 | 8 | 8 | 8 | 8 | 8 | ||
| h | 最大值 | 4.3 | 4.3 | 4.3 | 4.3 | 5.3 | 5.3 | 5.3 | 5.3 | 5.3 | 5.3 | 5.3 | 6.3 | 6.3 | 6.3 | |
| 最小值 | 4 | 4 | 4 | 4 | 5 | 5 | 5 | 5 | 5 | 5 | 5 | 6 | 6 | 6 | ||
| t | 最大值 | 2.6 | 2.6 | 2.6 | 2.6 | 3.1 | 3.1 | 3.1 | 3.1 | 3.1 | 3.1 | 3.1 | 3.6 | 3.6 | 3.6 | |
| 最小值 | 2 | 2 | 2 | 2 | 2.5 | 2.5 | 2.5 | 2.5 | 2.5 | 2.5 | 2.5 | 3 | 3 | 3 | ||
| c | 0.5 | 0.5 | 0.5 | 0.5 | 0.5 | 0.5 | 0.5 | 0.5 | 1 | 1 | 1 | 1 | 1 | 1 | ||
| c1 | 0.5 | 0.5 | 0.5 | 0.5 | 0.5 | 0.5 | 0.5 | 0.5 | 0.5 | 0.5 | 0.5 | 0.5 | 0.5 | 0.5 | ||
| 千件重(钢制)≈kg | 9.53 | 11 | 14.27 | 17.91 | 18.83 | 20.6 | 33.2 | 39.42 | 47.6 | 52.01 | 56.43 | 64.51 | 69.22 | 73.92 | ||
| 螺纹尺寸 | M45 | M48 | M52 | M56 | M60 | M64 | M68 | M72 | M76 | M80 | M85 | M90 | M95 | M100 | ||
| d | × 1.5 | × 1.5 | × 1.5 | × 2 | × 2 | × 2 | × 2 | × 2 | × 2 | × 2 | × 2 | × 2 | × 2 | × 2 | ||
| dk | 62 | 68 | 72 | 78 | 80 | 85 | 90 | 95 | 100 | 105 | 110 | 115 | 120 | 125 | ||
| m | 8 | 10 | 10 | 10 | 10 | 10 | 10 | 12 | 12 | 12 | 12 | 12 | 12 | 12 | ||
| h | 最大值 | 6.3 | 6.3 | 8.36 | 8.36 | 8.36 | 8.36 | 8.36 | 8.36 | 10.36 | 10.36 | 10.36 | 10.36 | 10.36 | 12.43 | |
| 最小值 | 6 | 6 | 8 | 8 | 8 | 8 | 8 | 8 | 10 | 10 | 10 | 10 | 10 | 12 | ||
| t | 最大值 | 3.6 | 3.6 | 4.25 | 4.25 | 4.25 | 4.25 | 4.25 | 4.25 | 4.75 | 4.75 | 4.75 | 4.75 | 4.75 | 5.75 | |
| 最小值 | 3 | 3 | 3.5 | 3.5 | 3.5 | 3.5 | 3.5 | 3.5 | 4 | 4 | 4 | 4 | 4 | 5 | ||
| c | 1 | 1 | 1 | 1 | 1 | 1 | 1 | 1 | 1 | 1.5 | 1.5 | 1.5 | 1.5 | 1.5 | ||
| c1 | 0.5 | 0.5 | 0.5 | 1 | 1 | 1 | 1 | 1 | 1 | 1 | 1 | 1 | 1 | 1 | ||
| 千件重(钢制)≈kg | 84.65 | 136.5 | 143.2 | 171.9 | 162.8 | 183 | 204.2 | 271.9 | 295.5 | 325 | 343.4 | 361.8 | 380.2 | 391.1 | ||
| 螺纹尺寸 | M105 | M110 | M115 | M120 | M125 | M130 | M140 | M150 | M160 | M170 | M180 | M190 | M200 | |||
| d | × 2 | × 2 | × 2 | × 2 | × 2 | × 2 | × 2 | × 2 | × 3 | × 3 | × 3 | × 3 | × 3 | |||
| dk | 130 | 135 | 140 | 145 | 150 | 160 | 170 | 180 | 195 | 205 | 220 | 230 | 240 | |||
| m | 15 | 15 | 15 | 15 | 15 | 15 | 18 | 18 | 18 | 18 | 22 | 22 | 22 | |||
| h | 最大值 | 12.43 | 12.43 | 12.43 | 14.43 | 14.43 | 14.43 | 14.43 | 14.43 | 14.43 | 16.43 | 16.43 | 16.43 | 16.43 | ||
| 最小值 | 12 | 12 | 12 | 14 | 14 | 14 | 14 | 14 | 14 | 16 | 16 | 16 | 16 | |||
| t | 最大值 | 5.75 | 5.75 | 5.75 | 6.75 | 6.75 | 6.75 | 6.75 | 6.75 | 6.75 | 7.9 | 7.9 | 7.9 | 7.9 | ||
| 最小值 | 5 | 5 | 5 | 6 | 6 | 6 | 6 | 6 | 6 | 7 | 7 | 7 | 7 | |||
| c | 1.5 | 1.5 | 1.5 | 1.5 | 1.5 | 1.5 | 1.5 | 1.5 | 2 | 2 | 2 | 2 | 2 | |||
| c1 | 1 | 1 | 1 | 1 | 1 | 1 | 1 | 1 | 1.5 | 1.5 | 1.5 | 1.5 | 1.5 | |||
| 千件重(钢制)≈kg | 497.7 | 520.7 | 543.7 | 549.8 | 572.8 | 740.5 | 954.8 | 1021 | 1299 | 1353 | 2041 | 2149 | 2257 | |||