
| 螺纹规格 | M12 | M16 | M20 | (M22) | M24 | (M27) | M30 | ||
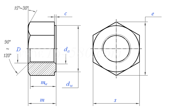
| D | |||||||||
| P | 螺距 | 1.75 | 2 | 2.5 | 2.5 | 3 | 3 | 3.5 | |
| da | 最大值 | 13 | 17.3 | 21.6 | 23.8 | 25.9 | 29.1 | 32.4 | |
| 最小值 | 12 | 16 | 20 | 22 | 24 | 27 | 30 | ||
| dw | 最小值 | 19.2 | 24.9 | 31.4 | 33.3 | 38 | 42.8 | 46.5 | |
| e | 最小值 | 22.78 | 29.56 | 37.29 | 39.55 | 45.2 | 50.85 | 55.37 | |
| m | 最大值 | 12.3 | 17.1 | 20.7 | 23.6 | 24.2 | 27.6 | 30.7 | |
| 最小值 | 11.87 | 16.4 | 19.4 | 22.3 | 22.9 | 26.3 | 29.1 | ||
| mw | 最小值 | 8.3 | 11.5 | 13.6 | 15.6 | 16 | 18.4 | 20.4 | |
| c | 最大值 | 0.8 | 0.8 | 0.8 | 0.8 | 0.8 | 0.8 | 0.8 | |
| 最小值 | 0.4 | 0.4 | 0.4 | 0.4 | 0.4 | 0.4 | 0.4 | ||
| s | 最大值 | 21 | 27 | 34 | 36 | 41 | 46 | 50 | |
| 最小值 | 20.16 | 26.16 | 33 | 35 | 40 | 45 | 49 | ||
| 支撑面对螺纹轴线的垂直度 | 0.29 | 0.38 | 0.47 | 0.5 | 0.57 | 0.64 | 0.7 | ||
| 千件重(钢制)≈kg | 27.68 | 61.51 | 118.77 | 146.59 | 202.67 | 288.51 | 374.01 | ||