
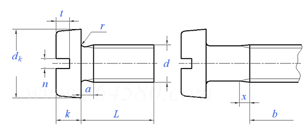
| 螺纹规格 | M1.6 | M2 | M2.5 | M3 | (M3.5) | M4 | M5 | M6 | M8 | M10 | |
| d | |||||||||||
| P | 螺距 | 0.35 | 0.4 | 0.45 | 0.5 | 0.6 | 0.7 | 0.8 | 1 | 1.25 | 1.5 |
| a | 最大值 | 0.7 | 0.8 | 0.9 | 1 | 1.2 | 1.4 | 1.6 | 2 | 2.5 | 3 |
| dk | 最大值=公称 | 3 | 3.8 | 4.5 | 5.5 | 6 | 7 | 8.5 | 10 | 13 | 16 |
| 最小值 | 2.86 | 3.62 | 4.32 | 5.32 | 5.82 | 6.78 | 8.28 | 9.78 | 12.73 | 15.73 | |
| k | 最大值=公称 | 1.1 | 1.4 | 1.8 | 2 | 2.4 | 2.6 | 3.3 | 3.9 | 5 | 6 |
| 最小值 | 0.96 | 1.26 | 1.66 | 1.86 | 2.26 | 2.46 | 3.12 | 3.6 | 4.7 | 5.7 | |
| n | 公称 | 0.4 | 0.5 | 0.6 | 0.8 | 1 | 1.2 | 1.2 | 1.6 | 2 | 2.5 |
| 最大值 | 0.6 | 0.7 | 0.8 | 1 | 1.2 | 1.51 | 1.51 | 1.91 | 2.31 | 2.81 | |
| 最小值 | 0.46 | 0.56 | 0.66 | 0.86 | 1.06 | 1.26 | 1.26 | 1.66 | 2.06 | 2.56 | |
| t | 最小值 | 0.45 | 0.6 | 0.7 | 0.85 | 1 | 1.1 | 1.3 | 1.6 | 2 | 2.4 |
| x | 最大值 | 0.9 | 1 | 1.1 | 1.25 | 1.5 | 1.75 | 2 | 2.5 | 3.2 | 3.8 |
| r | 最小值 | 0.1 | 0.1 | 0.1 | 0.1 | 0.1 | 0.2 | 0.2 | 0.25 | 0.4 | 0.4 |
| 千件钢制重≈kg | - | - | - | - | - | - | - | - | - | - | |
| 螺纹长度b | 最小值 | - | - | - | - | - | - | - | - | - | - |