
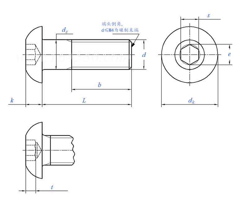
| 螺纹规格 | M3 | M4 | M5 | M6 | M8 | M10 | M12 | M16 | |
| d | |||||||||
| P | 螺距 | 0.5 | 0.7 | 0.8 | 1 | 1.25 | 1.5 | 1.75 | 2 |
| dk | 最大值 | 5.7 | 7.6 | 9.5 | 10.5 | 14 | 17.5 | 21 | 28 |
| 最小值 | 5.4 | 7.24 | 9.14 | 10.07 | 13.57 | 17.07 | 20.48 | 27.48 | |
| ds | 最大值 | 3 | 4 | 5 | 6 | 8 | 10 | 12 | 16 |
| 最小值 | 2.86 | 3.82 | 4.82 | 5.82 | 7.78 | 9.78 | 11.73 | 15.73 | |
| k | 最大值 | 1.65 | 2.2 | 2.75 | 3.3 | 4.4 | 5.5 | 6.6 | 8.8 |
| 最小值 | 1.4 | 1.95 | 2.5 | 3 | 4.1 | 5.2 | 6.24 | 8.44 | |
| t | 最小值 | 1.04 | 1.3 | 1.56 | 2.08 | 2.6 | 3.12 | 4.16 | 5.2 |
| e | 最小值 | 2.303 | 2.873 | 3.443 | 4.583 | 5.723 | 6.863 | 9.149 | 11.429 |
| s | 公称 | 2 | 2.5 | 3 | 4 | 5 | 6 | 8 | 10 |
| 最大值 | 2.08 | 2.58 | 3.08 | 4.095 | 5.14 | 6.14 | 8.175 | 10.175 | |
| 最小值 | 2.02 | 2.52 | 3.02 | 4.02 | 5.02 | 6.02 | 8.025 | 10.025 | |
| 最小拉力载荷(N) | 8.8② | 3220 | 5620 | 9080 | 12900 | 23400 | 37100 | 53900 | 100000 |
| 10.9② | 4180 | 7300 | 11800 | 16700 | 30500 | 48200 | 70200 | 130000 | |
| 12.9级/12.9/12.9② | 4910 | 8560 | 13800 | 19600 | 35700 | 56600 | 82400 | 154000 | |
| 70③ | 2810 | 4910 | 7950 | 11200 | 20400 | 32400 | 47200 | 87900 | |
| 80③ | 3220 | 5620 | 9080 | 12900 | 23400 | 37100 | 53900 | 100000 | |
| 螺纹长度b | 参考 | - | - | - | - | - | - | - | - |