
| 规格 | 10 | 12 | 14 | 16 | 18 | 20 | 22 | 24 | 25 ① | 27 | 30 | 33 | 35 ① | 36 | 39 | 40 ① | ||
| d | 10.5 | 12.5 | 14.5 | 16.5 | 18.5 | 20.5 | 22.5 | 24.5 | 25.5 | 27.5 | 30.5 | 33.5 | 35.5 | 36.5 | 39.5 | 40.5 | ||
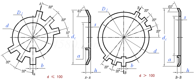
| dc | 25 | 28 | 32 | 34 | 35 | 38 | 42 | 45 | 45 | 48 | 52 | 56 | 56 | 60 | 62 | 62 | ||
| D1 | 16 | 19 | 20 | 22 | 24 | 27 | 30 | 34 | 34 | 37 | 40 | 43 | 43 | 46 | 49 | 49 | ||
| s | 1 | 1 | 1 | 1 | 1 | 1 | 1 | 1 | 1 | 1 | 1 | 1.5 | 1.5 | 1.5 | 1.5 | 1.5 | ||
| h | 3 | 3 | 3 | 3 | 4 | 4 | 4 | 4 | 4 | 5 | 5 | 5 | 5 | 5 | 5 | 5 | ||
| b | 3.8 | 3.8 | 3.8 | 4.8 | 4.8 | 4.8 | 4.8 | 4.8 | 4.8 | 4.8 | 4.8 | 5.7 | 5.7 | 5.7 | 5.7 | 5.7 | ||
| a | 8 | 9 | 11 | 13 | 15 | 17 | 19 | 21 | 22 | 24 | 27 | 30 | 32 | 33 | 36 | 37 | ||
| 千件重(钢制)≈kg | 1.91 | 2.3 | 2.5 | 2.99 | 3.04 | 3.5 | 4.14 | 5.01 | 4.7 | 5.4 | 5.87 | 10.01 | 8.75 | 10.76 | 11.06 | 10.33 | ||
| 规格 | 42 | 45 | 48 | 50 ① | 52 | 55 ① | 56 | 60 | 64 | 65 ① | 68 | 72 | 75 ① | 76 | 80 | 85 | ||
| d | 42.5 | 45.5 | 48.5 | 50.5 | 52.5 | 56 | 57 | 61 | 65 | 66 | 69 | 73 | 76 | 77 | 81 | 86 | ||
| dc | 66 | 72 | 76 | 76 | 82 | 82 | 90 | 94 | 100 | 100 | 105 | 110 | 110 | 115 | 120 | 125 | ||
| D1 | 53 | 59 | 61 | 61 | 67 | 67 | 74 | 79 | 84 | 84 | 88 | 93 | 93 | 98 | 103 | 108 | ||
| s | 1.5 | 1.5 | 1.5 | 1.5 | 1.5 | 1.5 | 1.5 | 1.5 | 1.5 | 1.5 | 1.5 | 1.5 | 1.5 | 1.5 | 1.5 | 1.5 | ||
| h | 5 | 5 | 5 | 5 | 6 | 6 | 6 | 6 | 6 | 6 | 6 | 7 | 7 | 7 | 7 | 7 | ||
| b | 5.7 | 5.7 | 7.7 | 7.7 | 7.7 | 7.7 | 7.7 | 7.7 | 7.7 | 7.7 | 9.6 | 9.6 | 9.6 | 9.6 | 9.6 | 9.6 | ||
| a | 39 | 42 | 45 | 47 | 49 | 52 | 53 | 57 | 61 | 62 | 65 | 69 | 71 | 72 | 76 | 81 | ||
| 千件重(钢制)≈kg | 12.55 | 16.3 | 17.68 | 15.85 | 21.12 | 17.67 | 26 | 28.4 | 31.55 | 30.35 | 34.69 | 37.9 | 33.9 | 41.27 | 44.7 | 46.72 | ||
| 规格 | 90 | 95 | 100 | 105 | 110 | 115 | 120 | 125 | 130 | 140 | 150 | 160 | 170 | 180 | 190 | 200 | ||
| d | 91 | 96 | 101 | 106 | 111 | 116 | 121 | 126 | 131 | 141 | 151 | 161 | 171 | 181 | 191 | 201 | ||
| dc | 130 | 135 | 140 | 145 | 156 | 160 | 166 | 170 | 176 | 186 | 206 | 216 | 226 | 236 | 246 | 256 | ||
| D1 | 112 | 117 | 122 | 127 | 135 | 140 | 145 | 150 | 155 | 165 | 180 | 190 | 200 | 210 | 220 | 230 | ||
| s | 2 | 2 | 2 | 2 | 2 | 2 | 2 | 2 | 2 | 2 | 2.5 | 2.5 | 2.5 | 2.5 | 2.5 | 2.5 | ||
| h | 7 | 7 | 7 | 7 | 7 | 7 | 7 | 7 | 7 | 7 | 7 | 8 | 8 | 8 | 8 | 8 | ||
| b | 11.6 | 11.6 | 11.6 | 11.6 | 13.5 | 13.5 | 13.5 | 13.5 | 13.5 | 13.5 | 15.5 | 15.5 | 15.5 | 15.5 | 15.5 | 15.5 | ||
| a | 86 | 91 | 96 | 101 | 106 | 111 | 116 | 121 | 126 | 136 | 146 | 156 | 166 | 176 | 186 | 196 | ||
| 千件重(钢制)≈kg | 64.82 | 67.4 | 69.97 | 72.54 | 89.08 | 91.33 | 94.96 | 97.21 | 100.8 | 106.7 | 175.9 | 185.1 | 194 | 202.9 | 211.7 | 220.6 | ||