
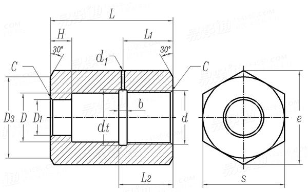
| 公称通径 | 3 | 6 | 10 | 15 | ||
| d | M20*1.5-6H | M24*2-6H | M33*2-6H | M48*2-6H | ||
| D | 最小值 | 16 | 21 | 30 | 45 | |
| 最大值 | 16.035 | 21.045 | 30.045 | 45.05 | ||
| D1 | 12 | 16 | 22 | 36 | ||
| dt | 20.3 | 24.4 | 33.4 | 48.4 | ||
| L | 45 | 58 | 75 | 88 | ||
| H | 7 | 10 | 13 | 19 | ||
| L2 | 25 | 29 | 33 | 35 | ||
| b | 3 | 5 | 5 | 5 | ||
| L1 | 23.5 | 26.5 | 30.5 | 32.5 | ||
| d1 | 1.5 | 2 | 2 | 3 | ||
| c | 1 | 1.5 | 1.5 | 1.5 | ||
| e | 31.2 | 41.6 | 57.5 | 80.8 | ||
| D3 | 25.5 | 34 | 47.5 | 67 | ||
| s | 27 | 36 | 50 | 70 | ||
| 单重≈kg | 0.14 | 0.35 | 0.97 | 1.85 | ||