
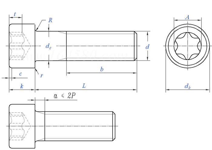
| 规格 | 2# | 3# | 4# | 5# | 6# | 8# | 10# | 12# | 1月4日 | ||||
| d | 螺纹直径 | 0.086 | 0.099 | 0.112 | 0.125 | 0.138 | 0.164 | 0.19 | 0.216 | 0.25 | |||
| PP | 粗牙UNC | 56 | 48 | 40 | 40 | 32 | 32 | 24 | 24 | 20 | |||
| 细牙UNF | 64 | 56 | 48 | 44 | 40 | 36 | 32 | 28 | 28 | ||||
| 超细牙UNEF | - | - | - | - | - | - | - | 32 | 32 | ||||
| ds | 最大值=公称 | 0.086 | 0.099 | 0.112 | 0.125 | 0.138 | 0.164 | 0.19 | 0.216 | 0.25 | |||
| 最小值 | 0.0822 | 0.0949 | 0.1075 | 0.1202 | 0.1329 | 0.1585 | 0.184 | 0.2095 | 0.2435 | ||||
| dk ① | 最大值 | 0.14 | 0.161 | 0.183 | 0.205 | 0.226 | 0.27 | 0.312 | 0.324 | 0.375 | |||
| 最小值 | 0.134 | 0.154 | 0.176 | 0.198 | 0.216 | 0.257 | 0.298 | 0.314 | 0.354 | ||||
| k | 最大值 | 0.086 | 0.099 | 0.112 | 0.125 | 0.138 | 0.164 | 0.19 | 0.216 | 0.25 | |||
| 最小值 | 0.083 | 0.095 | 0.108 | 0.121 | 0.134 | 0.159 | 0.185 | 0.21 | 0.244 | ||||
| A | 参考值 | 0.094 | 0.094 | 0.111 | 0.111 | 0.132 | 0.178 | 0.2 | 0.2 | 0.221 | |||
| t | 最小值 | 0.019 | 0.019 | 0.022 | 0.022 | 0.026 | 0.036 | 0.04 | 0.04 | 0.044 | |||
| b | 最小值 | 0.62 | 0.62 | 0.75 | 0.75 | 0.75 | 0.88 | 0.88 | 0.88 | 1 | |||
| c | 圆角或倒角 | 最大值 | 0.008 | 0.008 | 0.009 | 0.012 | 0.013 | 0.014 | 0.018 | 0.022 | 0.025 | ||
| r | 圆角或倒角 | 最大值 | 0.007 | 0.007 | 0.008 | 0.008 | 0.008 | 0.008 | 0.008 | 0.01 | 0.01 | ||
| R | 最小值 | 0.003 | 0.004 | 0.004 | 0.005 | 0.005 | 0.006 | 0.006 | - | 0.007 | |||
| 槽号 | T8 | T8 | T10 | T10 | T15 | T25 | T27 | T27 | T30 | ||||
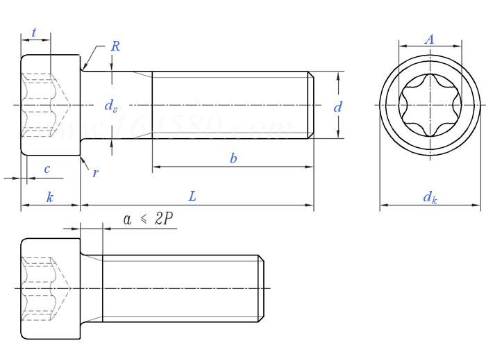
| 规格 | 5月16日 | 3月8日 | 7月16日 | 1月2日 | 9月16日 | 5月8日 | 3月4日 | 7月8日 | 1 | ||||
| d | 螺纹直径 | 0.3125 | 0.375 | 0.4375 | 0.5 | 0.5625 | 0.625 | 0.75 | 0.875 | 1 | |||
| PP | 粗牙UNC | 18 | 16 | 14 | 13 | 12 | 11 | 10 | 9 | 8 | |||
| 细牙UNF | 24 | 24 | 20 | 20 | 18 | 18 | 16 | 14 | 12 | ||||
| 超细牙UNEF | 32 | 32 | 28 | 28 | 24 | 24 | 20 | 20 | 20 | ||||
| ds | 最大值=公称 | 0.3125 | 0.375 | 0.4375 | 0.5 | 0.5625 | 0.625 | 0.75 | 0.875 | 1 | |||
| 最小值 | 0.3053 | 0.3678 | 0.4294 | 0.4919 | 0.5538 | 0.6163 | 0.7406 | 0.8647 | 0.9886 | ||||
| dk ① | 最大值 | 0.469 | 0.562 | 0.656 | 0.75 | 0.843 | 0.938 | 1.125 | 1.312 | 1.5 | |||
| 最小值 | 0.446 | 0.54 | 0.631 | 0.725 | 0.827 | 0.914 | 1.094 | 1.291 | 1.476 | ||||
| k | 最大值 | 0.312 | 0.375 | 0.438 | 0.5 | 0.562 | 0.625 | 0.75 | 0.875 | 1 | |||
| 最小值 | 0.306 | 0.368 | 0.43 | 0.492 | 0.554 | 0.616 | 0.74 | 0.864 | 0.988 | ||||
| A | 参考值 | 0.312 | 0.352 | 0.446 | 0.446 | 0.529 | 0.619 | 0.795 | 0.882 | 0.882 | |||
| t | 最小值 | 0.055 | 0.062 | 0.078 | 0.078 | 0.093 | 0.108 | 0.139 | 0.154 | 0.154 | |||
| b | 最小值 | 1.12 | 1.25 | 1.38 | 1.5 | 1.5 | 1.75 | 2 | 2.25 | 2.5 | |||
| c | 圆角或倒角 | 最大值 | 0.033 | 0.04 | 0.047 | 0.055 | 0.062 | 0.07 | 0.085 | 0.1 | 0.114 | ||
| r | 圆角或倒角 | 最大值 | 0.01 | 0.01 | 0.015 | 0.015 | 0.015 | 0.015 | 0.015 | 0.02 | 0.02 | ||
| R | 最小值 | 0.009 | 0.012 | 0.014 | 0.016 | - | 0.021 | 0.025 | 0.031 | 0.034 | |||
| 槽号 | T45 | T50 | T55 | T55 | T60 | T70 | T90 | T100 | T100 | ||||